A、
![]()
B、
![]()
C、
![]()
D、
![]()
喵查答案:
![]()

![]()

![]()
下列有关二阶系统的闭环极点的描述中,正确的是( )
-->
-

一个单位负反馈系统的开环传递函数为,试确定系统阶跃响应的动态性能,,。(=5%)( ) -

一阶系统的传递函数为,试确定其单位阶跃响应和超调量。( ) -

二阶系统的传递函数为,当取多大时系统无超调。( ) -

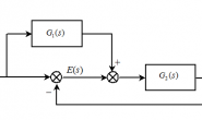
某复合控制系统结构图如图所示,其中,试选择a,b值,使系统由1型系统提高为3型系统。( )
- 试确定k值,使得阻尼比z 为0.5。然后求单位阶跃响应的上升时间tr、调节时间ts(2%的误差标准)。( )
- 控制系统的结构图如下图所示,当时,试确定系统中的Kf值和作用下系统的稳态误差。( )
- 系统如图所示,试确定系统的阻尼比z和作用下系统的稳态误差。( )
- 单位负反馈系统开环传递函数为,若输入为,试确定系统输出的稳态值,超调量和调节时间。( )
- 单位负反馈系统的开环传递函数为,试确定当K值增大时动态性能指标的变化情况。( )
- 设系统的特征方程为 ,试用赫尔维茨判据判别系统稳定性。( )
- 下列是一些系统的特征方程,其中不满足系统稳定的必要条件的系统有( )
- 单位负反馈系统的开环传递函数为,若系统输入为r(t)=l(t),试确定系统输出的最大值和稳态值、超调量、调节时间 (取5%误差带)。( )