硅晶体管电路如题图所示。设晶体管的UBE(on) = 0.7V, b = 100。则管子工作在放大状态。![]()
A、正确
B、错误
喵查答案:正确
硅晶体管电路如题图所示。设晶体管的UBE(on) = 0.7V, b = 100。则管子工作在放大状态。
-->
-

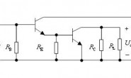
组合放大电路如图1所示。已知两个晶体管的参数相同:rbb¢= 0,rb¢e=1 kW,β=50,rce=∞;RC= RL=5kW,RE=1kW,RB= 150kW。该电路的交流通路如图2所示。 图1 图2 -

组合放大电路如题图所示。已知两个晶体管的参数相同:rbb¢= 0,rb¢e=1 kW,β=50,rce=∞;RC= RL=5kW,RE=1kW,RB= 150kW。该电路的输出电阻Ro为( )。 -

电路如题图所示,电容C对信号可视为短路。半导体三极管的b=100,rbb¢= 0,UT= 26mV,基极静态电流由电流源IB提供,设IB= 20mA,RS=0.15kW,RE = RL= 2kW。试计算Au= Uo / Ui。 -

电路如题图所示,电容C对信号可视为短路。半导体三极管的b=100,rbb¢= 0,UT= 26mV,基极静态电流由电流源IB提供,设IB= 20mA,RS=0.15kW,RE = RL= 2kW。试计算Ro。
- 定义如下变量和数组: int k; int a[3][3]={1,2,3,4,5,6,7,8,9}; 则下面语句的输出结果是________。 for(k=0;k<3;k++) printf("%d ",a[k][2-k]);
- 下面程序的运行结果是________int main(){ int a[6],i; for(i=1;i3))%5; printf(“%2d”,a[i]); } return 0;}
- 定义如下的变量和数组int i;int y[2][3]={2,4,6,8,10,12}则下面语句输出结果for(i=0;i<2;i++)printf("%d ",y[1-i][i+1]);
- 以下程序段给数组所有的元素的输入数据,请选择正确的答案#includemain(){float x[5],m=0;while(m<5)scanf(“%.2f”,______);}
- 要求下面的程序运行后,显示如下结果:2 10 4 61 5 2 32 4 7 85 1 3 2则程序中的划线处应填入________.#include void main( ){ int a[4][4]={ ________ }; int i,j; for(i=0;i<4;i++) {for(j=0;j<4;j++) printf("%4d",a[i][j]); printf("\n"); }
- 执行下面的程序段后,变量a中的值为int a=3, s[5]={1};s[0]=a; a=s[2]*10;
- 执行下面的程序段后,变量a中的值为int a=3, s[5]={1,2};s[0]=a; a=s[2]*10;
- 下列程序执行后的输出结果是int a[3][3]={1,2,3,4,5,6,7,8,9};printf(“%d \n”,a[1][2]);